繁
无障碍浏览
长者专区
怀化市人民政府
登录
|
注册
怀化市公共资源交易中心
部门首页
部门简介
新闻中心
政务公开
交易信息
互动交流
政务服务
首页
>
政务公开
>
政府网站年度报表
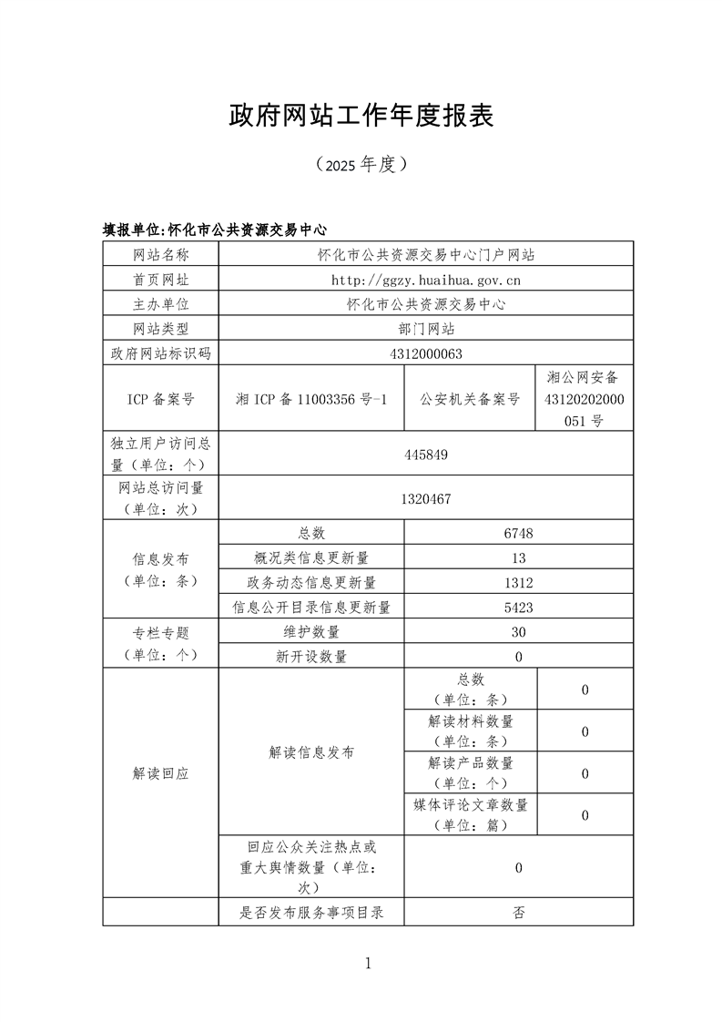
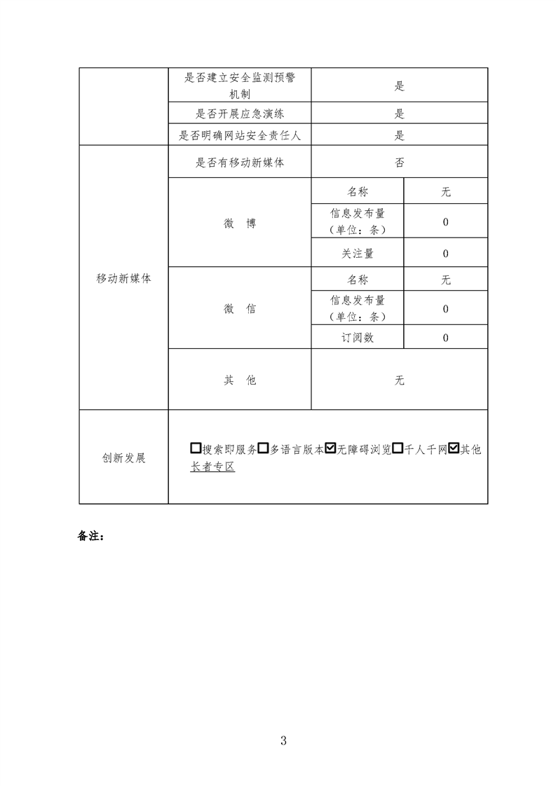
怀化市公共资源交易中心2025网站工作年度报表
发布时间:2026-01-09 09:40
信息来源:怀化市公共资源交易中心
打印本页
关闭窗口
分享到